微信公眾號
業務員微信號
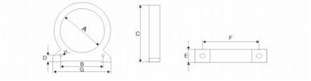
產品尺寸圖:

規格尺寸:
|
規格型號 |
外形尺寸 |
適用電流范圍 |
|||||||
|
A |
B |
C |
D |
E |
F |
G |
H |
||
|
JN500-Y-45 |
45 |
60 |
82 |
9 |
24 |
65 |
78 |
5 |
≦100A |
|
JN500-Y-80 |
80 |
95 |
118 |
9 |
26 |
100 |
115 |
5 |
≦225A |
Copyright © 2018 湖南大唐電氣設備制造有限公司 地址:長沙經濟技術開發區東六路南段77號金科億達科技城B51棟301 備案號:湘ICP備18010388號-1網站地圖技術支持:競網智贏站長統計 投資有風險,選擇需謹慎